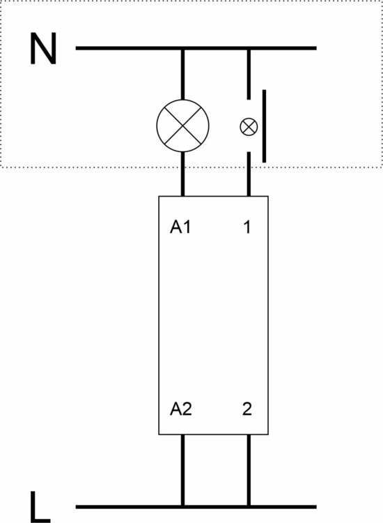
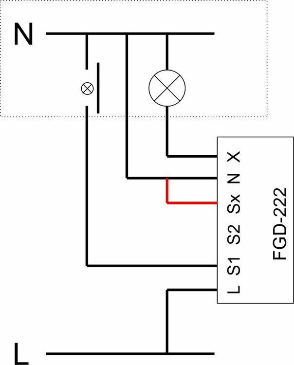
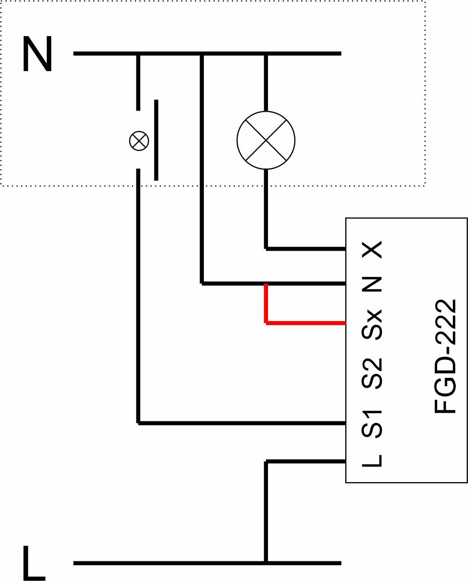
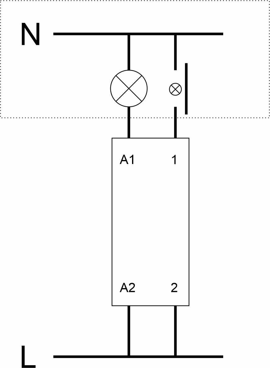
ygi Posté(e) le 15 décembre 2025 Signaler Posté(e) le 15 décembre 2025 (modifié) Bonjour, Je sais que ce probleme a souvent été demandé, mais je ne trouve aucune reponse pour le momement. J'ai un Telerupteur Gardy Tele116230, il dans l'armoire electrique ,et je voudrai le remplacer par un module fibaro.. FGS ou FGD j'imagine. J'ai deux contraintes. Les boutons poussoirs ont un temoin lumineux Je n'ai accès qu'aux cables qui arrivent dans l'armoire. Sur ce Schema, c'est donc le cablage du télérupteur, dans le cadre en pointillé, c'est le cablage auquel je n'ai pas acces. Sur ce Schema, c'est le cablage que j'ai essayé, en deux etapes : Sans le cable rouge. Tout fonctionne correctement mais les temoins des boutons poussoirs ne s'allument pas. Avec la conexion de Sx au N.. et la ca fait directement sauter le disjoncteur. Avez vous une idée comment je peux remplacer le telerupteur par un fibaro ? merci de votre aide Modifié le 15 décembre 2025 par ygi
Lazer Posté(e) le 15 décembre 2025 Signaler Posté(e) le 15 décembre 2025 On est bien d'accord que la fonction "témoin", c'est ce qui permet d'allumer le voyant sur l'interrupteur lorsque la lampe est alimentée ? Dans ce cas tu peux t'inspirer tu schéma que j'ai partagé pour un interrupteur Legrand Celiane ici : Le truc à bien comprendre, et on le voit sur mon schéma, c'est que le témoin est câblé en parallèle de la lampe. En clair : la lampe s'allume en même temps que le témoin, et réciproquement lors de l'extinction. Donc... c'est du coté de ton interrupteur qu'il va falloir intervenir, il faut que tu regardes si tu peux le câbler de telle sorte que le voyant se retrouve bien câblé en parallèle de la lampe. Une fois cela fait, vu du tableau, le fil que tu verras arriver sera un simple contact provenant de l'interrupteur, donc le courant passe ou ne passe pas, ce qui permettra de dire au module d'allumer ou d'éteindre la lumière. On en revient à un schéma électrique classique en fait.
ygi Posté(e) le 15 décembre 2025 Auteur Signaler Posté(e) le 15 décembre 2025 bonjour Lazer, merci pour ta reponse, effectivement j'ai omis 2 details qui sont finalement importants. en fait, il y a 3 boutons poussoirs, chacun avec temoin. le but du temoin est de localiser le bouton poussoir dans l'obscurité. Avec le telerupteur, le temoin est toujours alimenté, peut importe l'etat de la lampe, sauf pendant la pression, tous les temoins s'eteignent. Ce que j'espere c'est de trouver un mode ou le temoin est au moins allumé lorsque la lumiere est eteinte, les autres etats m'importe peu. yves
Lazer Posté(e) le 16 décembre 2025 Signaler Posté(e) le 16 décembre 2025 OK je vois, donc c'est ce que je craignais en fait. Avec les modules domotiques, tu ne pourras pas conserver le voyant allumé lorsque la lampe est éteinte, sauf à modifier le câblage, c'est à dire trouver le moyen de tirer un nouveau fil dans la gaine existante pour amener le 230V permanent à ton voyant. Selon la configuration des lieux, c'est plus ou moins difficile... note qu'on peut aller chercher la phase par les 2 chemins, c'est à dire depuis le tableau, ou depuis le plafonnier, souvent la distance est plus courte et c'est plus facile de faire passer une aiguille dans la gaine.
ygi Posté(e) le 16 décembre 2025 Auteur Signaler Posté(e) le 16 décembre 2025 Ca va etre compliqué, je pense que dans 2, des trois blochets des boutons poussoir, j'ai une phase constante, mais pas le troisieme. Mais Je n'ai pas la possibilité de cabler les temoins separement, ils viennent s'adosser au bouton poussoir. Il prend l'alimentation entre les 2 bornes, et lorsqu'on pousse sur le bouton poussoir, il s'eteint. J'avais regardé alors pour mettre un FGS en parrallele sur le telerupteur.. je suis sur que ca va fonctionner, c'est le FGS qui va controler la lampe.. mais je voulais absolument gerer le double / triple click... et la ca ne sera pas possible... Tu as une autre idée ? Yves
Lazer Posté(e) le 16 décembre 2025 Signaler Posté(e) le 16 décembre 2025 Non désolé là je ne sais pas... Il y a déjà eu plusieurs fois ce même genre de discussion sur le forum, je n'ai pas souvenir d'avoir vu de solution miracle à un problème physique (courant électrique) élémentaire : le voyant a besoin d'être alimenté, et pour cela il y a un courant constant qui circule, ce qui est incompatible avec la notion de contact franc (circuit ouvert ou fermé) d'un interrupteur sur l'entrée S1 ou S2 d'un module domotique.
ygi Posté(e) le 16 décembre 2025 Auteur Signaler Posté(e) le 16 décembre 2025 Un derniere question... si j'arrive a allimenter la lampe temoins independament... il y a t il un interret a utiliser le FGD plutot que le FGS ? le dimmer ne m'interesse absolument pas dans ce cas. yves
Lazer Posté(e) le 16 décembre 2025 Signaler Posté(e) le 16 décembre 2025 Si le dimmer ne t'intéresse pas, ça ne fera pas grande différence, mais tout de même le FGD apporte le soft start/stop de la lumière (si ampoule compatible) ce qui est un peu plus agréable, et il n'a pas de bruit de commutation (contrairement au relai du FGS... mais s'il est au tableau tu ne l'entendras probablement pas).
jojo Posté(e) le 18 décembre 2025 Signaler Posté(e) le 18 décembre 2025 et si pas de relais, aussi pas de relais qui colle. (je n'ai pas de FGD) mais n'y a-t-il pas également une fonction qui détecte les ampoules grillées ?
Lazer Posté(e) le 18 décembre 2025 Signaler Posté(e) le 18 décembre 2025 Le FGD (la version 2) peut détecter les ampoules grillées lorsque celles-ci grillent en faisant une surcharge = fort courant pendant un très court instant, juste au moment de griller.
Messages recommandés